01. توضیحات محصولات

صافی نوع Y دستگاهی در سری خط لوله است که برای انتقال رسانه استفاده می شود. معمولاً در ورودی شیرهای کاهنده فشار-، دریچه های تسکین دهنده، شیرهای دروازه یا سایر تجهیزات نصب می شود، ناخالصی های موجود در محیط را برای محافظت از عملکرد عادی شیرها و تجهیزات رهگیری می کند. این فیلتر دارای ساختار ساده، مقاومت کم و تخلیه راحت زباله است. رسانه های مناسب شامل آب، گاز و نفت است. دقت مش فیلتر (تعداد مش) را می توان بر اساس نیاز کاربر سفارشی کرد. برای تمیز کردن، کارتریج فیلتر قابل جابجایی را می توان به راحتی جدا کرد. ناخالصی های به دام افتاده را می توان قبل از نصب مجدد شسته و از نگهداری راحت اطمینان حاصل کرد. این فیلتر دارای ساختار جمع و جور، دهانه های ریز فیلتر، مقاومت کم، نصب و نگهداری آسان، هزینه کم و زمان تخلیه کوتاه است.
| استاندارد | حفاری فلنج مطابق با BS4504، DIN2501 و ANSI B16.1 PN10، PN16 است. |
| نوع | انتهای فلنج |
| مواد |
چدن داکتیل GGG40/50 / چدن GG25 / فولاد کربن پوشش سوپاپ: چدن / چدن داکتیل صفحه نمایش: فولاد ضد زنگ 304 |
| پوشش | سطوح داخلی و خارجی با پوششهای اپوکسی مذاب{0}(حداقل 250 میکرومتر) یا پوششهای اپوکسی مایع پوشانده میشوند. |
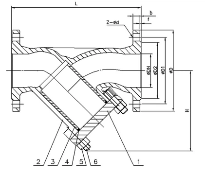
02. اطلاعات پایه

| جدول اندازه ظاهر اصلی (واحد: MM) | ||||||||
| DN | L | H | D | K | d | c | f | NXΦ |
| PN16 | PN16 | PN16 | PN16 | PN16 | ||||
| 40 | 180 | 125 | 150 | 110 | 84 | 19 | 3 | 4*19 |
| 50 | 180 | 125 | 165 | 125 | 99 | 19 | 3 | 4*19 |
| 65 | 198 | 145 | 185 | 145 | 118 | 19 | 3 | 4*19 |
| 80 | 238 | 180 | 200 | 160 | 132 | 19 | 3 | 8*19 |
| 100 | 274 | 190 | 220 | 180 | 156 | 19 | 3 | 8*19 |
| 125 | 304 | 215 | 250 | 210 | 184 | 19 | 3 | 8*19 |
| 150 | 345 | 250 | 285 | 240 | 211 | 19 | 3 | 8*23 |
| 200 | 415 | 320 | 340 | 295 | 266 | 20 | 3 | 12*23 |
| 250 | 535 | 390 | 405 | 355 | 319 | 22 | 3 | 12*28 |
| 300 | 598 | 470 | 460 | 410 | 370 | 24.5 | 4 | 12*28 |
| 350 | 640 | 470 | 520 | 470 | 429 | 26.5 | 4 | 16*28 |
| 400 | 760 | 570 | 580 | 525 | 480 | 28 | 4 | 16*31 |
| DN: اندازه اسمی L: طول سازه H: ارتفاع مرکز f: ارتفاع سطح آب بندی D: قطر بیرونی فلنج NXØ: تعداد پیچ * قطر سوراخ پیچ K: مرکز سوراخ پیچ قطر گرد |
||||||||
توری فیلتر سوراخدار فولاد ضد زنگ 304
ساخته شده از جنس استنلس استیل 304، دیواره لوله ضخیم، ضد فشار، ضد-ترک و تغییر شکل، و می تواند مطابق با شماره مش سفارشی شود.

03. ویژگی های مهم
| اندازه رابط | استاندارد | ساختار | Sstrainer تایپ کنید- |
|---|---|---|---|
| نوع | استرینر | سفارشی سازی پشتیبانی می شود | OEM، ODM |
| کشور مبدا | شانشی، چین | جنس بدنه سوپاپ | چدن داکتیل |
| قدرت | دستی | مدل | صافی Y |
| نام تجاری | JINTAI | محیط جریان | پایه چتر |
| دمای متوسط | دمای متوسط | دوره گارانتی | 1 سال |
| رنگ | آبی | فشار کاری | PN10/PN16 |
| پایان اتصال | انتهای فلنج | گواهی | ISO9001:2008 CE |
| پرکننده | بسته بندی خنثی | طراحی مایع خاص | طراحی وزن مخصوص سیال |
| استاندارد | ANSI BS DIN JIS | نوع | Sstrainer تایپ کنید- |
04. نصب محصول
این شیر باید در محیط خشک نگهداری شود، هر دو سر راه باید مسدود باشد و انباشتن آن ممنوع است. شیرهایی که برای مدت طولانی ذخیره می شوند باید مرتباً بازرسی شوند تا هرگونه کثیفی یا زباله از بین برود. برای جلوگیری از زنگ زدگی روی سطوح کار، زنگ زدگی-روغن پیشگیری را اعمال کنید، قبل از نصب، به دقت بررسی کنید که مشخصات شیر با کاربرد مورد نظر مطابقت دارد. محل نصب شیر باید سهولت کارکرد، نگهداری و تعویض را تضمین کند.

05. برنامه های کاربردی محصول
طیف گسترده ای از برنامه های کاربردی
به طور گسترده در تامین آب و زهکشی، متالورژی، ساخت و ساز، تهویه مطبوع، نفت، مواد غذایی شیمیایی، مهندسی شهری، نساجی سبک، برق آبی و سایر صنایع استفاده می شود.

06.ویترین محصول

07. توصیه های محصول

برای اطلاعات بیشتر، لطفاً با ما تماس بگیرید: WhatsApp/WeChat: +86 18334738900
آدرس های ایمیل: info@jthypipe.com
amy@jintaicastfoundry.com
sales@jintaicastfoundry.com
تگ های محبوب: صافی نوع y، تولید کنندگان صافی نوع y چین، تامین کنندگان, نوار فلنج دو فلنج, بوش های آهنی انعطاف پذیر, اتصالات مفصل مکانیکی آهن انعطاف پذیر, فشار آهن انعطاف پذیر روی اتصالات, اتصالات لوله فاضلاب آهن انعطاف پذیر, Pyp pasvervaardigers en verskaffers

